Descrição
Bomba AZPF-11-008 Bosch Rexroth | Bomba hidráulica de engrenagens
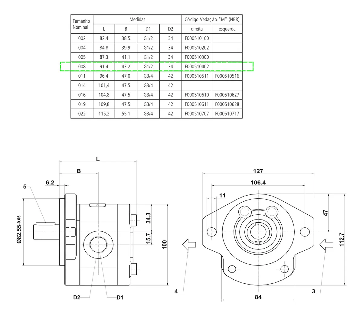
Bomba hidráulica de engrenagens AZPF‑11‑008RARXXMB‑S0356 para alto desempenho
A bomba hidráulica de engrenagens Bosch Rexroth AZPF‑11‑008RARXXMB‑S0356 pertence à linha High Performance e alimenta sistemas hidráulicos com fluxo estável e confiável. Ela utiliza deslocamento fixo e engrenagens externas de alta precisão, o que garante um fornecimento contínuo de óleo para cilindros, motores e válvulas. Além disso, o desenho das engrenagens reduz pulsação e ruídos, tornando o funcionamento mais suave e eficiente. Dessa forma, suas máquinas ganham em produtividade, precisão de movimento e segurança operacional.
Bomba Hidraulica AZPF-11-008RARXXMB-S0356 para máquinas industriais e móveis
A Bosch Rexroth projeta a bomba AZPF‑11‑008RARXXMB‑S0356 para suportar pressões elevadas e ciclos de trabalho intensos. O corpo em liga de alta resistência protege os componentes internos e resiste bem a esforços mecânicos e térmicos. As engrenagens usinadas com precisão minimizam o desgaste e mantêm o rendimento volumétrico por muito mais tempo. Como resultado, o sistema trabalha mais horas sem falhas e você reduz custos com paradas inesperadas e substituições de bomba.
Versatilidade de aplicação em máquinas industriais e móveis
Essa bomba hidraulica AZPF-11-008RARXXMB-S0356 foi projetada para prensas, máquinas‑ferramenta, equipamentos de construção, máquinas agrícolas e diversos sistemas hidráulicos de pequeno e médio porte. A compatibilidade com centrais e blocos hidráulicos Bosch Rexroth simplifica a integração tanto em projetos novos quanto em retrofits. Além disso, o formato compacto facilita a instalação em espaços reduzidos e libera área para outros componentes. Por isso, a bomba oferece uma solução versátil para fabricantes de máquinas e equipes de manutenção.
Ideal para quem busca confiabilidade e padrão Bosch Rexroth
Com a bomba hidráulica AZPF-11-008RARXXMB-S0356, o sistema trabalha e investe em um componente com qualidade reconhecida mundialmente. O uso de peças originais mantém o desempenho previsto em projeto e preserva a compatibilidade com válvulas, filtros e demais itens da mesma linha. Assim, o circuito hidráulico opera com maior eficiência, menor risco de falhas e melhor retorno sobre o investimento ao longo do tempo. Dessa forma, a bomba se torna uma escolha segura para aplicações que não podem parar.



